DIN    93 
   s   
   s   
      
 Werkstoff/     Stahl  
 strength     steel  
   s    
 Oberfläche/      
 surface      

Sicherungsbleche mit Lappen
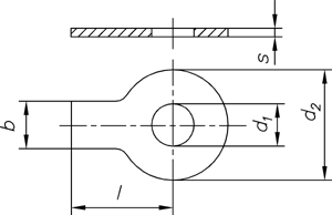
Washers with tap


 d1  3,2  4,3  5,3  6,4  8,4  10,5  13  15 
 b  4  5  6  7  8  10  12  12 
 d 2  12  14  17  19  22  26  30  33 
 l  13  14  16  18  20  22  28  28 
 s  0,38  0,38  0,5  0,5  0,75  0,75  1  1 

 d 1  17  21  23  25  28  31  34  37 
 b  15  18  20  20  23  26  28  30 
 d 2  36  42  50  50  58  63  68  75 
 l  32  36  42  42  48  52  56  60 
 s  1  1  1  1  1,6  1,6  1,6  1,6 
Maße in mm

----


Nicht aufgeführte Abmessungen und/oder Ausführungen bitte anfragen.