WSN    5155 
   s   
   s   
      
 Werkstoff/     Stahl  
 strength     Steel  
   s    
 Oberfläche/     verzinkt  
 surface     zinc plated  

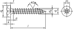
Spanplattenschrauben Pan head, Kreuzschlitz Z
Chipboard screws with Pan head, cross recess Z


 Gewinde ø d 1  3  3,5  4  4,5  5  6 
 Kopf ø dk  6  7  8  9  10  12 
 k ~  1,5  1,75  2  2,25  2,5  3 
 Kreuzschlitz- größe  1  2  2  2  2  3 
 m ~  3  4  4,4  4,9  5,3  6,3 

Maße in mm


Nicht aufgeführte Abmessungen und/oder Ausführungen bitte anfragen.