WSN    5207 
   s   
   s   
     100 
      
 Werkstoff/      
 strength      
   s    
 Oberfläche/     schwarz  
 surface     black  

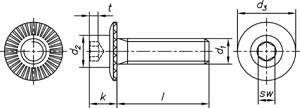
INBUS RIPP - Zylinderschrauben mit Innensechskant u. Rippen
INBUS RIPP - Hexagon socket head cap screws with ribs


 d1  M 5  M 6  M 8  M 10  M 12 
 d2  9  11  14  17  19 
 d3  11  13,5  17  19,5  22,5 
 K  5  6  8  10  12 
 Sw  4  5  6  8  10 

Maße in mm


Nicht aufgeführte Abmessungen und/oder Ausführungen bitte anfragen.