WSN    5174 
   s   
   s   
      
 Werkstoff/     C-Stahl, gehärtet  
 strength     C-steel, hardened  
   s    
 Oberfläche/     verzinkt  
 surface     zinc plated  

Fassadenbauschrauben, Typ BZ, mit Neopren-Dichtscheibe
Facadebuilding screws


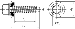
 Nenngröße  BZ 6,3 
 sw  3/8" (ca. 9,5 mm) 
 d 2  16 mm 

Maße in mm


Nicht aufgeführte Abmessungen und/oder Ausführungen bitte anfragen.