WSN    5204 
   s   
   s   
      
 Werkstoff/     Stahl  
 strength     steel  
   s    
 Oberfläche/     verzinkt  
 surface     zinc plated  

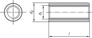
Distanz-/Verbindungsmuttern, rund
Connecting nuts, round


 d 1  M 5  M 6  M 8  M 10  M 12 
 d 2  8  10  11  13  12 

Maße in mm


Nicht aufgeführte Abmessungen und/oder Ausführungen bitte anfragen.