DIN    316 
   s   
   s   
      
 Werkstoff/     Messing  
 strength     brass  
   s    
 Oberfläche/      
 surface      

Flügelschrauben
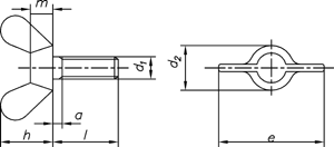
Wing screws


 d 1  M 4  M 5  M 6  M 8  M 10  M 12 
 d 2 max.  8  11  13  16  20  23 
 e max.  20  26  33  39  51  65 
 h max.  10,5  13  17  20  25  33,5 
 m max.  4,6  6,5  8  10  12  14 

Maße in mm


Nicht aufgeführte Abmessungen und/oder Ausführungen bitte anfragen.