DIN    964 A 
 ISO    2010 
   s   
     A2 
 Werkstoff/      
 strength      
   s   s  
 Oberfläche/      
 surface      

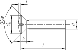
Linsen-Senkschrauben mit Schlitz
Slotted raised countersunk head screws


 d  M 3  M 4  M 5  M 6  M 8  M 10 
 d k max.  5,6  7,5  9,2  11  14,5  18 
 k max.  1,65  2,2  2,5  3  4  5 
 f ~  0,75  1  1,25  1,5  2  2,5 

Maße in mm


Nicht aufgeführte Abmessungen und/oder Ausführungen bitte anfragen.