DIN    929 
   s   
   s   
     A2 
 Werkstoff/      
 strength      
   s   s  
 Oberfläche/      
 surface      

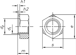
Sechskant-Schweißmuttern
Hexagon weld nuts


 d 1  M 3  M 4  M 5  M 6  M 8  M 10  M 12  M 16 
 d 2  4,5  6  7  8  10,5  12,5  14,8  18,8 
 h 1  0,55  0,65  0,7  0,75  0,9  1,15  1,4  1,8 
 h 2  0,25  0,35  0,4  0,4  0,5  0,65  0,8  1 
 m  3  3,5  4  5  6,5  8  10  13 
 s  7,5  9  10  11  14  17  19  24 

Maße in mm


Nicht aufgeführte Abmessungen und/oder Ausführungen bitte anfragen.