DIN    910 
   s   
   s   
     A4 
 Werkstoff/      
 strength      
   s   s  
 Oberfläche/      
 surface      

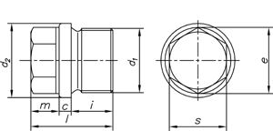
Verschlußschrauben mit Bund und Außensechskant
Hexagon head screws plugs



Maße in mm


Nicht aufgeführte Abmessungen und/oder Ausführungen bitte anfragen.