DIN
603
ISO
8677
s
A2
Werkstoff/
strength
s
s
Oberfläche/
surface
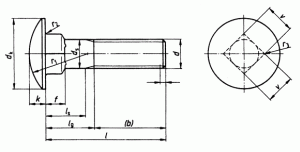
Flachrundschrauben mit Vierkantansatz
Mushroom head square neck bolts
d
M 5
M 6
M 8
M 10
M 12
M 16
b = bis 120 mm
16
18
22
26
30
38
b = bis 200 mm
22
24
28
32
36
44
b = über 200 mm
-
-
41
45
49
57
d k max.
13,55
16,55
20,65
24,65
30,65
38,8
k max.
3,3
3,88
4,88
5,38
6,95
8,95
f max.
4,1
4,6
5,6
6,6
8,75
12,9
v max.
5,48
6,48
8,58
10,58
12,7
16,7
Maße in mm
Nicht aufgeführte Abmessungen und/oder Ausführungen bitte anfragen.