DIN    97 
   s   
   s   
     A2 
 Werkstoff/      
 strength      
   s   s  
 Oberfläche/      
 surface      

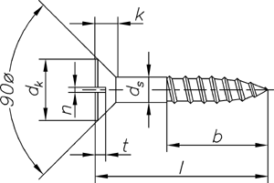
Senk-Holzschrauben mit Schlitz
Slotted countersunk head wood screws


 d s  2,5  3  3,5  4  4,5  5  6 
 d k  4,7  5,6  6,5  7,5  8,3  9,2  11 
 k max.  1,5  1,65  1,93  2,2  2,35  2,5  3 
 n Nennmaß  0,6  0,8  0,8  1  1  1,2  1,6 
 t max.  0,7  0,85  1  1,1  1,2  1,3  1,6 

Maße in mm


Nicht aufgeführte Abmessungen und/oder Ausführungen bitte anfragen.