DIN    7971 C 
 ISO    1481 C 
   s   
      
 Werkstoff/     Stahl  
 strength     steel  
   s    
 Oberfläche/     verzinkt  
 surface     zinc plated  

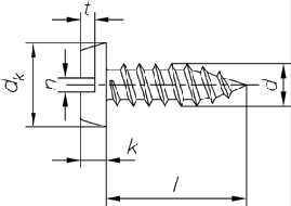
Zylinder-Blechschrauben mit Schlitz
Slotted pan head tapping screws


 d  2,2  2,9  3,5  3,9  4,2  4,8  5,5  6,3 
 d k  4,2  5,6  6,9  7,5  8,2  9,5  10,8  12,5 
 k max.  1,35  1,75  2,1  2,25  2,45  2,8  3,2  3,65 
 k min.  1,15  1,5  1,85  2  2,15  2,5  2,85  3,3 
 n  0,6  0,8  1  1  1,2  1,2  1,6  1,6 
 t max.  0,8  1  1,25  1,4  1,5  1,7  1,95  2,2 

Maße in mm


Nicht aufgeführte Abmessungen und/oder Ausführungen bitte anfragen.