DIN    7604 A 
   s   
   s   
      
 Werkstoff/     Stahl  
 strength     steel  
   s    
 Oberfläche/      
 surface      

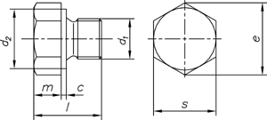
Verschlußschrauben mit Außensechskant, kurzer Zapfen
Hexagon head screw plugs, short plug


 d 1  M 10x1  M 12x1,5  M 14x1,5  M 16x1,5  M 18x1,5  M 22x1,5  M 26x1,5  M 30x1,5 
 l  10,5  15,5  15,5  15,5  17  17  19,5  19,5 
 m  4  6  6  6  6  6  8  8 
 C +0,2  0,5  0,5  0,5  0,5  2  2  2,5  2,5 
 s  14  17  19  22  17  19  22  22 

Maße in mm


Nicht aufgeführte Abmessungen und/oder Ausführungen bitte anfragen.