DIN    7337 A 
   s   
   s   
      
 Werkstoff/     Hohlniet: Alu  
 strength     Nietdorn: Stahl verzinkt  
   s    
 Oberfläche/     Riset Body: Alu  
 surface     Mandrel: steel zinc plated  

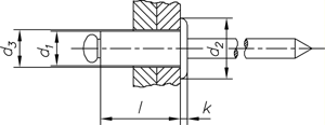
Blindniete mit Sollbruchdorn, Flachrundkopf
Blind rivets with raised round head


 d 1  4,8  5  6 
 d 2  9,5  9,5  12 
 d 3 = Loch ø  4,9  5,1  6,1 
 k  1,1  1,1  1,5 

Maße in mm


Nicht aufgeführte Abmessungen und/oder Ausführungen bitte anfragen.