DIN    986 
   s   
   s   
     8 
 Werkstoff/      
 strength      
   s    
 Oberfläche/     verzinkt  
 surface     zinc plated  

Sechskant-Hutmuttern selbstsichernd
Prevailing torque type hexagon domed cap nuts with non-metallic insert


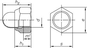
 Gewinde d  M 4  M 5  M 6  M 8  M 10  M 12  M 16 
 h 1  5,6  6  7,5  8,9  10,5  13,5  16,5 
 h 2  9,6  10,5  12  14  18,1  22,5  27,5 
 s  7  8  10  13  17  19  24 

Maße in mm


Nicht aufgeführte Abmessungen und/oder Ausführungen bitte anfragen.