DIN    963 A 
 ISO    2009 
   s   
     4.8 
 Werkstoff/      
 strength      
   s    
 Oberfläche/     verzinkt  
 surface     zinc plated  

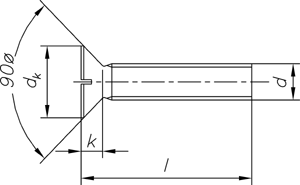
Senkschrauben mit Schlitz
Slotted countersunk head screws


 d  M 2  M 2,5  M 3  M 4  M 5  M 6  M 8  M 10  M 12  M 16 
 d k max.  3,8  4,7  5,6  7,5  9,2  11  14,5  18  22  29 
 k max.  1,2  1,5  1,65  2,2  2,5  3  4  5  6  8 

Maße in mm


Nicht aufgeführte Abmessungen und/oder Ausführungen bitte anfragen.