DIN    937 
   s   
   s   
     14H / 17H 
 Werkstoff/      
 strength      
   s   s  
 Oberfläche/      
 surface      

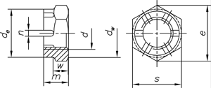
Niedrige Kronenmuttern
Hexagon thin slotted and castle nuts


 d  M 8  M 10  M 12  M 14  M 16  M 18  M 20  M 24  M 30  M 36 
 m max.  8  9  10  11  12  13  13  15  18  20 
 s Nennmaß  13  17  19  22  24  27  30  36  46  55 
 w max.  4,5  5  6  7  7  8  8  9  11  13 

Maße in mm


Nicht aufgeführte Abmessungen und/oder Ausführungen bitte anfragen.