DIN    936 
   s   
   s   
     05/22H 
 Werkstoff/      
 strength      
   s    
 Oberfläche/     blank / verzinkt  
 surface     plain / zinc plated  

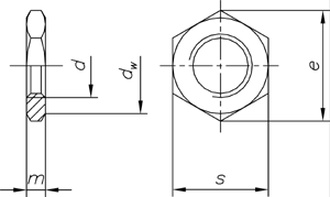
Flache Sechskantmuttern
Hexagon thin nuts


 d  M 8  M 10  M 12  M 14  M 16  M 18  M 20  M 22  M 24  M 27  M 30 
 m  5  6  7  8  8  9  9  10  10  12  12 
 s  13  17  19  22  24  27  30  32  36  41  46 


Nicht aufgeführte Abmessungen und/oder Ausführungen bitte anfragen.