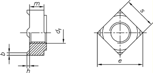
DIN    928 
   s   
   s   
      
 Werkstoff/     Stahl  
 strength     steel  
   s    
 Oberfläche/      
 surface      

Vierkant-Schweißmuttern
Square weld nuts


 d 1  M 4  M 5  M 6  M 8  M 10  M 12 
 b  0,8  1  1,2  1,5  1,8  2 
 e min.  9  12  13  18  22  25 
 h  0,6  0,8  0,8  1  1,2  1,4 
 m  3,5  4,2  5  6,5  8  9,5 
 s  7  9  10  14  17  19 

Maße in mm


Nicht aufgeführte Abmessungen und/oder Ausführungen bitte anfragen.