DIN    927 
   s   
   s   
     5.8 
 Werkstoff/      
 strength      
   s    
 Oberfläche/     blank  
 surface     plain  

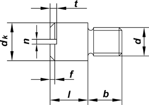
Zapfenschrauben mit Schlitz
Slotted shoulder screws


 d  M 3  M 4  M 5  M 6 
 d k max.  4  5,5  6,5  8 
 b min.  4,5  6  7  8 
 n Nennmaß  0,5  0,6  0,8  1 
 t max.  1,05  1,42  1,63  2 

Maße in mm


Nicht aufgeführte Abmessungen und/oder Ausführungen bitte anfragen.