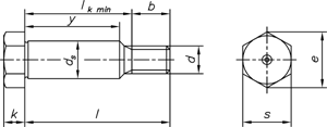
DIN
609
s
s
8.8
Werkstoff/
strength
s
Oberfläche/
schwarz
surface
black
Sechskant-Paßschrauben mit langem Gewindezapfen
Hexagon fit bolts with long threaded portion
d
M 8
M 10
M 12
M 14
M 16
M 20
M 24
M 30
b = bis 50 mm
14,5
17,5
20,5
22
25
28,5
-
-
b = bis 150 mm
16,5
19,5
22,5
24
27
30,5
36,5
43
b = über 150 mm
-
-
-
-
-
35,5
41,5
48
d s k 6
9
11
13
15
17
21
25
32
k Nennmaß
5,3
6,4
7,5
8,8
10
12,5
15
19
s max.
13
17
19
22
24
30
36
46
Maße in mm
Nicht aufgeführte Abmessungen und/oder Ausführungen bitte anfragen.