DIN    601 
 ISO    4016 
   s   
     4.6 
 Werkstoff/      
 strength      
   s    
 Oberfläche/     schwarz  
 surface     black  

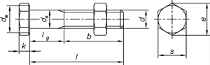
Sechskantschrauben mit Schaft und Sechskantmutter
Hexagon head bolts with hexagon nuts


 d  M 6  M 8  M 10  M 12  M 16  M 20 
 b = bis 120 mm  18  22  26  30  38  46 
 b = über 120 mm  24  28  32  36  44  52 
 k Nennmaß  4  5,3  6,4  7,5  10  12,5 
 s  10  13  17 (16)  19 (18)  24  30 

Maße in mm-------------------------------------------------------- Maße in ( ) nur ISO - Ausführung


Nicht aufgeführte Abmessungen und/oder Ausführungen bitte anfragen.