DIN    582 
 ISO    3266 
   s   
     C 15 
 Werkstoff/      
 strength      
   s    
 Oberfläche/     roh / verzinkt  
 surface     plain / zinc plated  

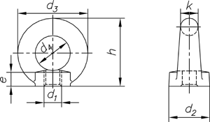
Ringmuttern
Lifting eye nuts


 d 1  M 6  M 8  M 10  M 12  M 16  M 20  M 24  M 30  M 36  M 42 
 d 2  20  20  25  30  35  40  50  65  75  85 
 d 3  36  36  45  54  63  72  90  108  126  144 
 d 4  20  20  25  30  35  40  50  60  70  80 
 h  36  36  45  53  62  71  90  109  128  147 


Nicht aufgeführte Abmessungen und/oder Ausführungen bitte anfragen.