DIN    479 
   s   
   s   
     8.8 
 Werkstoff/      
 strength      
   s    
 Oberfläche/     schwarz  
 surface     black  

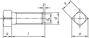
Vierkantschrauben mit Kernansatz
Square head bolts with short dog point


 d  M 5  M 6  M 8  M 10  M 12  M 16  M 20  M 24 
 d p max.  3,5  4  5,5  7  8,5  12  15  18 
 k Nennmaß  5  6  8  10  12  16  20  22 
 z 1 min.  1,25  1,5  2  2,5  3  4  5  6 
 s Nennmaß  5  6  8  10  13  17  22  24 

Maße in mm


Nicht aufgeführte Abmessungen und/oder Ausführungen bitte anfragen.