DIN    464 
   s   
   s   
      
 Werkstoff/     Stahl  
 strength     steel  
   s    
 Oberfläche/      
 surface      

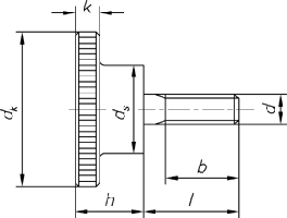
Hohe Rändelschrauben
Knurled thumb screws, high type


 d  M 3  M 4  M 5  M 6  M 8  M 10 
 b max.  9  12  15  18  24  30 
 d k Nennmaß  12  16  20  24  30  36 
 d s Nennmaß  6  8  10  12  16  20 
 h Nennmaß  7,5  9,5  11,5  15  18  23 
 k max.  2,5  3,5  4  5  6  8 

Maße in mm


Nicht aufgeführte Abmessungen und/oder Ausführungen bitte anfragen.