DIN    434 
   s   
   s   
      
 Werkstoff/     Stahl  
 strength     steel  
   s    
 Oberfläche/     roh / feuerverzinkt  
 surface     plain / hot dip galvanized  

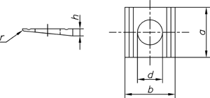
Vierkantscheiben für U-Träger
Square taper washers for U-sections


 d  9  11  14  18  22  24  26  30 
 a  22  22  26  32  40  44  56  56 
 b  22  22  30  36  44  50  56  56 
 h min.  3,2  3,2  3,9  4,9  6  7  7,3  7,3 
 r ~  1,6  1,6  2  2,4  2,8  3,2  3,2  3,2 
 für Schrauben  M 8  M 10  M 12  M 16  M 20  M 22  M 24  M 27 


Nicht aufgeführte Abmessungen und/oder Ausführungen bitte anfragen.