DIN
432
s
s
Werkstoff/
Stahl
strength
steel
s
Oberfläche/
blank
surface
plain
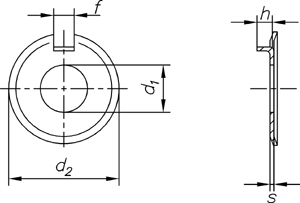
Sicherungsbleche mit Aussennase
Washers with external tap
Nennweite d 1
3,2
4,3
5,3
6,4
8,4
10,5
13
15
17
19
21
23
25
31
37
d 2
12
14
17
19
22
26
30
33
36
40
42
50
50
63
75
f
2,5
2,5
3,5
3,5
3,5
4,5
4,5
4,5
5,5
6,5
6,5
7,5
7,5
8,5
11
h ~
2
2
2,5
3
4
4
4,5
4,5
4,5
4,5
4,5
6,5
6,5
9,5
9,5
s
0,4
0,4
0,75
0,75
1
1
1,2
1,2
1,2
1,2
1,6
1,6
1,6
1,6
2
Maße in mm
Nicht aufgeführte Abmessungen und/oder Ausführungen bitte anfragen.