DIN    186 
   s   
   s   
     4.6 
 Werkstoff/      
 strength      
   s   s  
 Oberfläche/      
 surface      

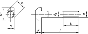
Hammerschrauben mit Vierkant
T-head bolts with square neck


 d  M 6  M 8  M 10  M 12  M 16  M 20  M 24 
 (b)  18  22  26  30  38  46  54 
 k max.  4,9  5,9  7,5  8,75  11,4  13,9  15,9 
 n max.  6,6  8,75  10,75  12,9  16,9  21  25 
 m max.  16,9  18,9  22  27  31  37,25  44,25 

(b) Längen über 120 siehe Normblatt

Maße in mm


Nicht aufgeführte Abmessungen und/oder Ausführungen bitte anfragen.